KAWASAKI ROBOTS, NEVER USED RS007N ROBOTS WITH F CONTROLLERS, TEACH PENDANTS, AND CABLES

KAWASAKI ROBOTS, NEVER USED RS007N ROBOTS WITH F CONTROLLERS, TEACH PENDANTS, AND CABLES
Contact us for price
Location:Imlay City, MI
Description
NEVER USED KAWASAKI MODEL RS007N 6 AXIS ROBOT
WITH F60 CONTROLLERS, TEACH PENDANTS, AND CABLES.
(2) UNITS AVAILABLE
STK# 104106
=====================================================
SPECIFICATIONS WHILE OBTAINED FROM SOURCES DEEMED
RELIABLE ARE SUBJECT TO CHANGE WITHOUT NOTICE
AND TO VERIFICATION BY BUYER.
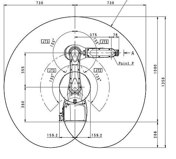
Robot Specifications:
Axes: 6
Payload: 7kg
H-Reach: 730 mm
Repeatability: ±0.02mm
Robot Mass: 35kg
Structure: Articulated
Mounting: Floor, Wall, Ceiling
Robot Motion Speed:
Jt1 470 °/s (1.66 rad/s)
Jt2 380 °/s (1.57 rad/s)
Jt3 520 °/s (1.66 rad/s)
Jt4 550 °/s (2.09 rad/s)
Jt5 550 °/s (2.09 rad/s)
Jt6 1000 °/s (3.32 rad/s)
Robot Motion Range:
Jt1 ±180°
Jt2 ±135°
Jt3 ±155°
Jt4 ±200°
Jt5 ±125°
Jt6 ±360°
EQUIPPED WITH:
KAWASAKI F60 CONTROLLER
KAWASAKI ROBOT CONNECTION CABLES
KAWASAKI TEACH PENDANT
High Speed, High Performance Robot
The R series robots are setting the benchmark for all small to medium duty industrial robots. The RS007N is part of the next generation of the series, which offers a redesigned arm structure and main-unit weight reductions. By utilizing a cantilever design for the upper arm section, Kawasaki has achieved a longer maximum reach and an expanded range of motion below, behind and in the immediate vicinity of the robot. These enhancements result in the fastest operating speeds in its class along with increased working ranges.
Applications:
Machine Loading Robots
Machine Tending Robots
Material Handling Robots
Pick and Place Robots
Assembly Robots
Material Removal Robots
Adhesive/Dispensing Robots
KAWASAKI BUILDS HIGH QUALITY ROBOTS TO MEET THE AUTOMATION NEEDS OF ANY INDUSTRY.
WITH KAWASAKI ROBOTS IN USE IN NEARLY EVERY CORNER OF THE WORLD ITS SURE THEY BUILD
A ROBOT TO MEET YOUR FACTORY APPLICATIONS. RAB INDUSTRIES, INC. SELLS THE NEW LINE
OF EQUIPMENT KAWASAKI ROBOTICS BUILDS. PLEASE CALL US TO DISCUSS YOUR AUTOMATION
REQUIREMENTS. YOU WILL LOVE THE GREAT PEOPLE AND SUPPORT AT KAWASAKI.
231-526-9525
Specifications
| Manufacturer | KAWASAKI |
| Model | ROBOTS, NEVER USED RS007N ROBOTS WITH F CONTROLLERS, TEACH PENDANTS, AND CABLES |
| Condition | Used |
| Stock Number | 104106 |

