2020 FANUC M-2000iA/900L 6 AXIS ROBOT WITH R-30iB CONTROL

2020 FANUC M-2000iA/900L 6 AXIS ROBOT WITH R-30iB CONTROL
Contact us for price
Location:Michigan
Description
1-USED FANUC M-2000iA/900L 6 AXIS ROBOT WITH R-30iB CONTROL
MORE THAN ONE AVAILBLE RESERVE YOURS TODAY AT AN INDUSTRY WIDE LOW PRICE.
AVERAGE HOURS RUN 2,000 TO 5,000 HOURS
SERIAL NUMBER
DATE OF MFG. 2020
STK#104165
===================
SPECIFICATIONS WHILE OBTAINED FROM SOURCES DEEMED RELIABLE ARE SUBJECT TO CHANGE WITHOUT NOTICE AND TO VERIFICATION BY BUYER:
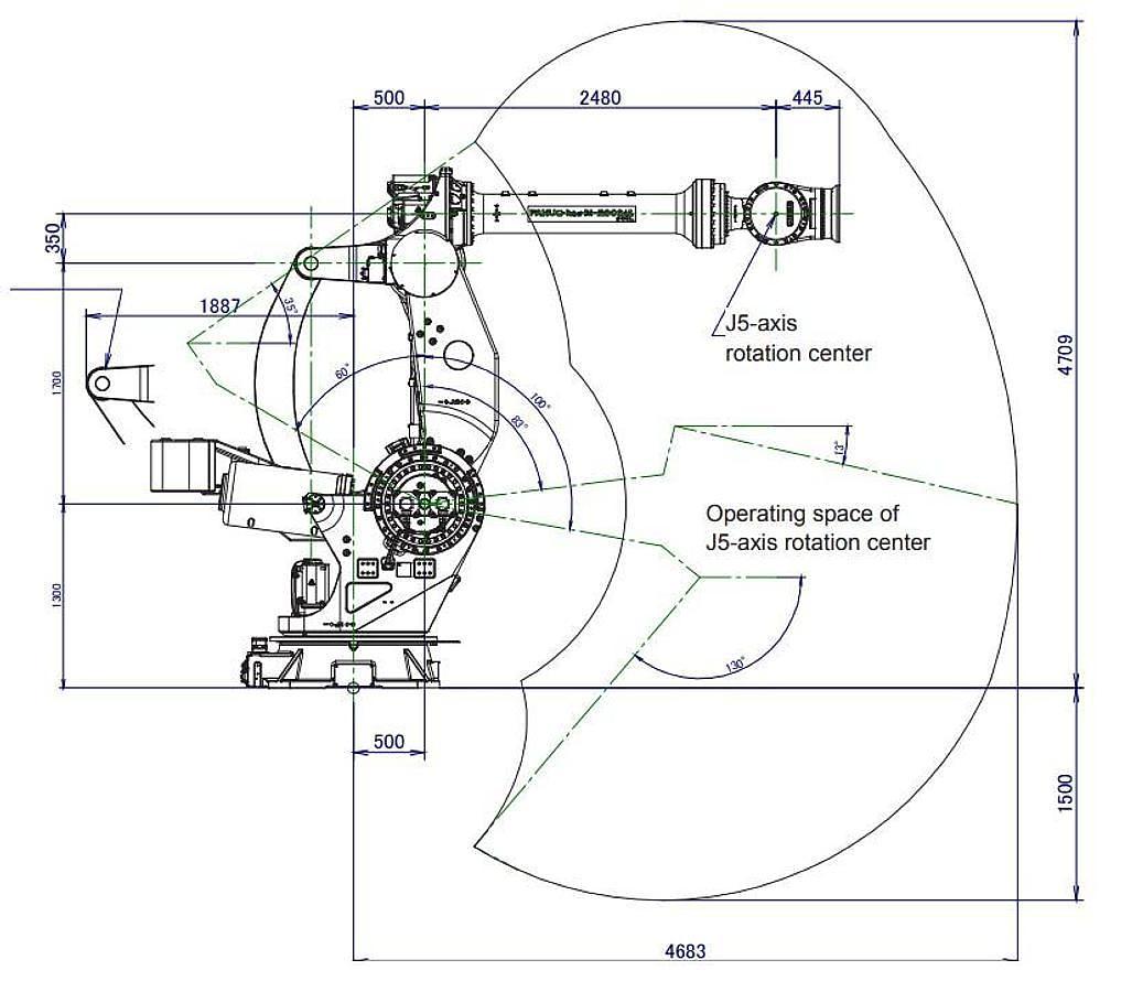
Powerful enough to lift 900 kg, this model is ideal for a vast range of material handling applications in the automotive and heavy machinery industries. The Fanuc M-2000iA/900L has an amazing 4683mm of reach. What a beautiful big robot. Depending on date of manufacture this robot runs on the Fanuc R30iA or Fanuc R30iB Controller. This long arm version provides the highest reach of all the FANUC robots with an amazing 6200mm vertical reach. R.A.B. Industries is always looking buy Fanuc M-2000iA series robots. If you need a long reach
Fanuc robot with even more lifting capacity then look no further to the Fanuc M-2000iA/1700L.
Robot Specifications:
Axes: 6
Payload: 900kg
H-Reach: 4683mm
Repeatability: ±0.5mm
Robot Mass: 9600kg
Structure: Articulated
Mounting: Floor
Robot Motion Speed:
J1 45 °/s (0.79 rad/s)
J2 30 °/s (0.52 rad/s)
J3 30 °/s (0.52 rad/s)
J4 50 °/s (0.87 rad/s)
J5 50 °/s (0.87 rad/s)
J6 70 °/s (1.22 rad/s)
Robot Motion Range:
J1 ±330°
J2 ±160°
J3 ±165°
J4 ±720°
J5 ±240°
J6 ±720°
Applications:
Fanuc America Robotics are one of the premiere global robot brands. They build absolutely fantastic products and are by far the number one selling robot brand in the United States. If you allow us to re-register your software with Fanuc you will get 24-7 technical support from their expert staff. We will register the robot in your companies name, so when you reach out to Fanuc for support and provide them with your robots F number they will know who you are, and the robot your calling about.
231-526-9525
Specifications
| Manufacturer | FANUC |
| Model | M-2000iA/900L 6 AXIS ROBOT WITH R-30iB CONTROL |
| Year | 2020 |
| Condition | Used |
| Stock Number | 104165 |

